leyu

产品世界
 
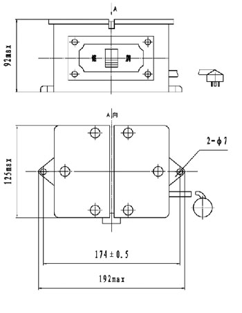
产品名称:TC—1系列退磁器

产品编号:tcq_1

上传时间:2014/4/15

浏览次数:0

 
leyu-乐鱼(中国)官方网站_www.leyu.com   |   关于我们   |   产品世界   |   新闻资讯   |   售后服务   |   留言中心   |   服务承诺

                                        版权所有:leyu-乐鱼(中国)官方网站_www.leyu.com

地址:北京中关村大街32号  电 话:4000-018-592   网 址:xyfdc.com  邮 编:224000     技术支持:网站建设公司
友情链接:三筒烘干机  脱硫吸收塔   防水加热管   三分离选粉机